-13%
MICROMETRO INTERIOR DE 75 A 100 MM. (145-188)1
MICROMETRO INTERIOR DE 75 A 100 MM. (145-188)2
MICROMETRO INTERIOR DE 75 A 100 MM. (145-188)3
MICROMETRO INTERIOR DE 75 A 100 MM. (145-188)4

MICROMETRO INTERIOR DE 75 A 100 MM. (145-188)

MITUTOYO
$ 313.797

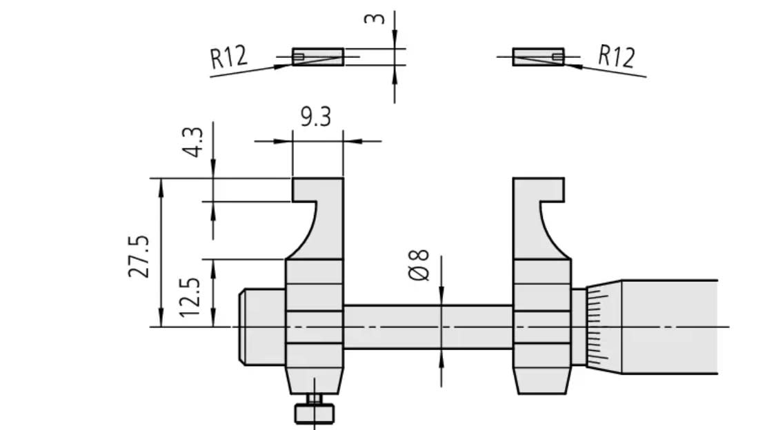
Calibre micrométrico interno analógico tipo paquímetro 75-100mm/0,01mm - 145-188. Caras de medición de metal duro. Equipado con trinquete para fuerza constante.

El Calibre Jaw Inside Micrometer te ofrece los siguientes beneficios:
  • Caras de medición de carburo
  • Se necesita un estándar de ajuste (opcional) para fijar con precisión el micrómetro en el punto de referencia.

    Especificaciones Técnicas
    Métrica en pulgadas: Métrica
    Digital/Analógico: Analógico
    Rango: 75–100 mm
    Graduación: 0,01 mm
    Fuerza medidora: 1-6 N
    Error máximo permitido E MPE: ±8 μm
    Escala: Acabado cromado satinado de dedal y funda, ø18 mm
    Medición del husillo: Con bloqueo de husillo, paso del eje 0,5 mm
    Mediendo la cara: Punta de carburo
    Incluyendo caja, llave inglesa, y el estándar de ajuste no están incluidos
    Masa: 180 g

También Podría Interesarte

Inicio
Carrito