-13%
Base Magnetica Ajustable  Alcance 160mm (7011s-10)2
Base Magnetica Ajustable  Alcance 160mm (7011s-10)1

Base Magnetica Ajustable Alcance 160mm (7011s-10)

MITUTOYO
$ 96.392

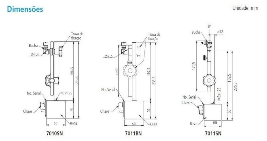
Los soportes magnéticos de Mitutoyo aceptan todos los indicadores de marcado e indicadores de prueba de marcado. El interruptor de encendido y apagado ofrece un montaje y desmontaje instantáneos sin ningún efecto adverso en los indicadores o la superficie de la pieza de trabajo.

Funciones


Soporte magnético estándar con brazo cruzado
Con ranura De cola de milano
Fuerza de sujeción 600N
Adecuado para diamters de vástago de 4 mm, 8 mm y 9,53 mm

Aplicaciones

Ingeniería mecánica
Metrología
Mecanizado
Modelo: 7011S-10

Inicio
Carrito